反激開關電源的峰值電流計算方式:
輸入端峰值電流I=VS*Ton/L,(VS:輸入電壓,Ton:開關開通時間,L:原邊電感)
反激式變壓器開關電源,是指當變壓器的初級線圈正好被直流脈沖電壓激勵時,變壓器的次級線圈沒有向負載提供功率輸出,而僅在變壓器初級線圈的激勵電壓被關斷后才向負載提供功率輸出,這種變壓器開關電源稱為反激式開關電源。
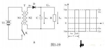
圖1-19-a是反激式變壓器開關電源的簡單工作原理圖,圖1-19-a中,Ui是開關電源的輸入電壓,T是開關變壓器,K是控制開關,C是儲能濾波電容,R是負載電阻。圖1-19-b是反激式變壓器開關電源的電壓輸出波形。
